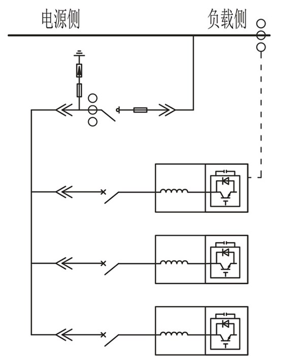
SVG装置:主塑壳断路器、集中监控屏、电流表、快速熔断器、分支塑壳断路器、SVG单元模块等主要元器件构成。
SVG装置灵活运用GCS/MNS柜型结构特点,柜内母线做到封闭样式,各单元采用抽屉结构,抽屉单元之间独立运行,互不影响。塑壳合闸后闭锁抽屉摇进摇出机构,确保运行安全。单元内部设计独立风道,强排风机接受温度控制器控制自动启停,严格控制单元内部温升。
SVG装置应用场所中频炉、电弧炉、点焊机、精炼炉、变频器、电机类负载、整流负载、轧机、后台服务器、高频类负载等。
1:系统额定工作电压:AC400V,装置能在1.1倍额定电压下长期运行;:
2:额定工作频率:50Hz;
3:额定输出容量:300kVar;:
4:防护等级:IP30;
5:投切开关类型:IGBT;:
6:主进线开关类型:塑壳断路器、快速熔断器;
7:分支开关类型:分支塑壳断路器;
8:保护功能:过载保护、短路保护、过欠压保护功能、自动复归检测功能、智能巡检功能;

