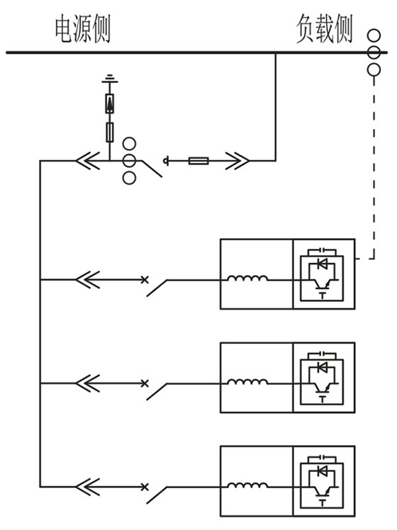
APF装置:主塑壳断路器、集中监控屏、快速熔断器、分支塑壳断路器、APF功率模块单元等元器件构成。
APF装置灵活运用GCS/MNS低压抽出式开关柜结构特点,柜内带电母线做到了全封闭式防护等级。各功率补偿单元延用抽屉式结构,单元与单元之间独立运行,互不影响。各抽屉配备闭锁机构,塑壳合闸后闭锁抽屉摇进摇出机构,确保装置运行安全。单元内部设计独立风道,强排风机接受温度控制器控制自动启停,严格控制单元内部温升。APF装置抽屉单元内部具有智能监控功能,通过调节IGBT器件的导通、关断,实现反向谐波电流输出与停止。
APF装置应用场所中频炉、电弧炉、点焊机、精炼炉、变频器、电机类负载、整流负载、轧机、后台服务器、高频类负载等。
1:系统额定工作电压:AC400V,装置能在1.1倍额定电压下长期运行;
2:额定工作频率:50Hz;
3:额定滤波容量:450A;
4:防护等级:IP30;
5:有源滤波控制开关类型:IGBT;:
6:主进线开关类型:塑壳断路器、快速熔断器;
7:分支开关类型:分支塑壳断路器;:
8:保护功能:过载保护、短路保护、过欠压保护功能、自动复归检测功能、智能巡检功能;

